协会简介
协会章程
组织架构
协会领导
联系我们
行业要闻
协会动态
会员风采
业界资讯
安全生产
活动通知
政策文件
党建工作
党建要闻
支部动态
行业党建
学习资料
会员登录
会员查询
活动报名
入会申请
服务指南
信用平台
创先评优
人才信息
智慧物业平台
品牌名录
优选推荐
行业集采
供应商名录
培训信息
培训平台
监测评估
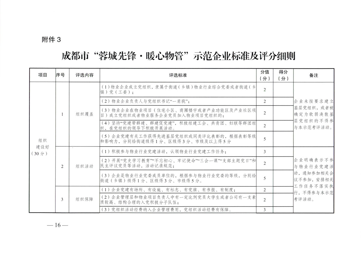
成物委发[2021]9号
分享文章:
附件:申报表和标准
上一条:成都市经济和信息化局等7部门关于印发《成都市居民小区电动汽车充电设施建设管理实施细则》的通知 下一条:关于举办2021物管大讲堂系列“社区治理新格局下物业管理法律实务”线上公益培训的通知